产品介绍:MG-201HX1 MEMS组合导航系统是一款高可靠、高性价比的六轴MEMS惯性航姿系统和组合导航系统,可广泛用于以无人机为代表的导航、控制和测量等领域。
产品特点:1.100%全国产化器件; 2.体积小、重量轻、功耗低;3.1KHz高速采样;4.-45℃到+80℃全温标定补偿; 5.抗恶劣力学环境; 6.具备惯性/GNSS组合导航功能。
指标参数
陀螺仪性能参数: 加速度计性能参数:
量程(°/s) ±400 量程(g) ±30
全温零位(°/h,1σ) ≤10 全温零位(mg) ≤1
零偏稳定性(°/h,10s平滑) ≤3 零偏稳定性(ug,10s平滑) ≤100
零偏重复性(°/h) ≤3 零偏重复性(ug) ≤100
标度因数非线性(ppm) ≤100 标度因数非线性(ppm) ≤500
带宽(Hz) ≥200 带宽(Hz) ≥200
角度随机游走(mm/s/√h) ≤50
标度因数非线性(ppm) ≤500
带宽(Hz) ≥100
姿态精度: 位置和速度精度:
俯仰(°,RMS,无GNSS) 0.1 位置精度(m,RMS,GNSS辅助 ) 同GNSS精度
滚转(°,RMS,无GNSS) 0.1 速度精度(m/s,RMS,GNSS辅助) 同GNSS精度
航向(°,GNSS失锁60s) 0.16 位置精度(m,GNSS失锁60s) 30m
俯仰(°,RMS,GNSS辅助) 0.05 速度精度(m/s,GNSS失锁60s) 1m/s
滚转(°,RMS,GNSS辅助) 0.05 冲击(g/1ms) 1000(带电)
航向(°,RMS,GNSS辅助,动态条件下) 0.1
使用环境:
工作温度 -40~80℃
存储温度 -55~85℃
振动(g,Rms) 6.06
冲击(g/1ms) 1000(带电)
接口定义:
MG-201HX1组合导航系统对外输出采用J30J-15ZK连接器(对接插头推荐J30J-15TJL),主要实现系统供电及对外通讯。
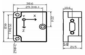
结构安装
![]()