ZH-MC1410D为北斗三号四阵元抗干扰接收机,是公司完全自主知识产权的北斗三号四阵元抗干扰技术,支持B3/B1L1频点四阵元宽带抗干扰功能,可抑制B3/B1L1频段的谐波、扫频、脉冲、调频、调相等多种宽带、窄带等压制式干扰。ZH-MC1410D抗干扰卫星接收机采用全屏蔽结构设计,广泛适用于机载、D载等复杂电磁环境的集成应用。
产品特点:功能全、性能高、功耗低、重量轻、体积小
产品全称:四阵元抗干扰接收机ZH-MC1410D
电气性能指标
性能指标:
抗干扰频点: B3和B1/L1/E1
抗干扰能力: B3: 单干≥100dB;三干≥90dB
B1/L1: 单干≥100dB;三干≥90dB
定位精度: 有干扰: 水平10m; 高程10m
无干扰: 水平6m; 高程8m
输出协议: NMEA0183, unicore等
冷启动时间: <40s
热启动时间: <6s
电气特性:
输入电压 : 6V~36V
平均功耗: 10W
物理特性:
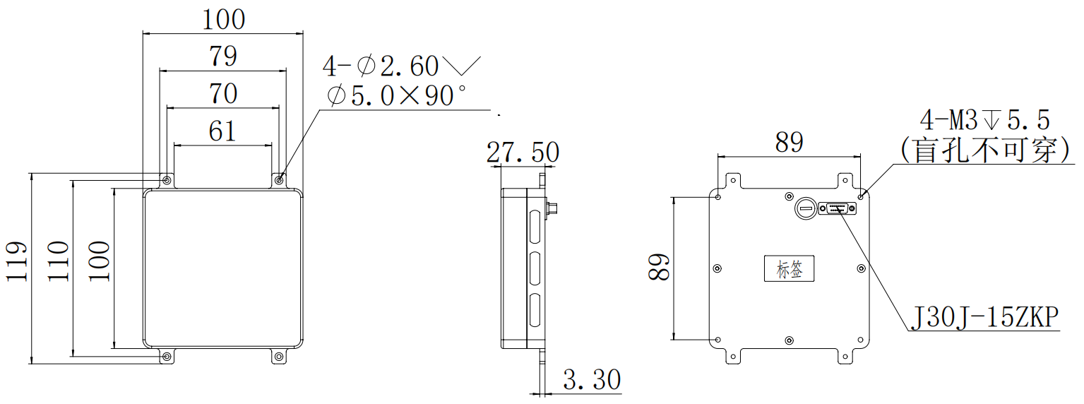
供电接口: J30J-15ZKP
尺 寸: 100×100×27.5mm
重量: ≤320g
工作温度: -40~65℃
贮存温度: -55~75℃
防水等级: IP67
接口定义
ZH-MC1410D数字接口连接器采用了J30J-15ZKP,接口定义如下:
管脚号 | 定义 | 备注 |
1 | VCC_IN | 电源输入28V+ |
2 | VCC_IN |
3 | VCC_GND | 电源输入28V- |
4 | VCC_GND |
5 | RS232_Tx | 接收机输出串口(LVTTL电平) |
6 | RS232_Rx |
7 | RS232_GND |
8 | RS232F_Tx | 抗干扰信息输出 |
9 | RS232F_Rx |
10 | RS232F_GND |
11 | 1PPS+ | 1PPS输出 |
12 | 1PPS_GND |
13 | 保留 | 保留 |
14 |
15 |
结构安装
![image.png]()