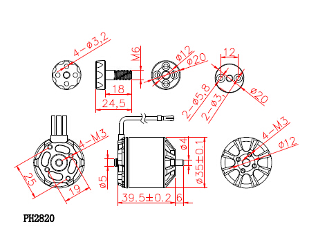
| PH2820系列 | |||||||||||||
| 马达外径:---------- | Φ35mm×39.5mm | 硅钢尺寸:------------------ | Φ28x20mm | ||||||||||
| 硅钢结构:---------- | 12N14P | 重量:---------------------- | 135g | ||||||||||
| 型号 | KV值 |
空载 电流 (14.8V) |
负载浆叶 |
测试电压 (V) (全油门) |
工作 电流 (A) |
负载 转速 (RPM) |
拉力 (g) |
输出 功率 (W) |
力效 (g/w) |
内阻 (Ω) |
最大 电流 (持续) |
最大 电压 (锂电) |
最大 功率 (持 续) |
| 5.5T | 920 | 1.3A | 12*4.5/CF | 7.4 | 12.7 | 5630 | 790 | 94 | 8.41 | 0.051 | 36A | 3-6S | 800W |
| 8.5 | 15.7 | 6290 | 1000 | 133 | 7.49 | ||||||||
| 11.1 | 23.9 | 7730 | 1530 | 265 | 5.77 | ||||||||
| 12.6 | 28.7 | 8460 | 1850 | 362 | 5.12 | ||||||||
| 14.8 | 36.8 | 9470 | 2330 | 545 | 4.28 | ||||||||
| 16.8 | 43.7 | 10240 | 2770 | 734 | 3.77 | ||||||||
| 13*4.4/CF | 7.4 | 14.2 | 5480 | 890 | 105 | 8.47 | |||||||
| 8.5 | 17.5 | 6120 | 1100 | 149 | 7.39 | ||||||||
| 11.1 | 26 | 7510 | 1670 | 289 | 5.79 | ||||||||
| 12.6 | 31.1 | 8210 | 1980 | 392 | 5.05 | ||||||||
| 14.8 | 38.6 | 9190 | 2530 | 571 | 4.43 | ||||||||
| 16.8 | 45.4 | 9940 | 3010 | 763 | 3.95 | ||||||||
| 15*5/CF | 7.4 | 21.6 | 4695 | 1250 | 160 | 7.82 | |||||||
| 8.4 | 25.6 | 5135 | 1480 | 215 | 6.88 | ||||||||
| 11.1 | 37.1 | 6215 | 2150 | 412 | 5.22 | ||||||||
| 12.6 | 43.1 | 6690 | 2520 | 543 | 4.64 | ||||||||
| 14.8 | 52.3 | 7300 | 3060 | 774 | 3.95 | ||||||||
| 6.5T | 780 | 1.1A | 12*4.5/CF | 7.4 | 8.4 | 5010 | 610 | 62 | 9.81 | 0.062 | 31A | 3-6S | 680W |
| 8.5 | 10.5 | 5630 | 790 | 89 | 8.85 | ||||||||
| 11.1 | 16.3 | 7000 | 1250 | 181 | 6.91 | ||||||||
| 12.6 | 19.9 | 7740 | 1550 | 251 | 6.18 | ||||||||
| 14.8 | 25.6 | 8710 | 1930 | 379 | 5.09 | ||||||||
| 16.8 | 31.2 | 9520 | 2350 | 524 | 4.48 | ||||||||
| 18.5 | 36.4 | 10190 | 2760 | 673 | 4.10 | ||||||||
| 13*4.4/CF | 7.4 | 9.7 | 4890 | 700 | 72 | 9.75 | |||||||
| 8.5 | 12 | 5490 | 910 | 102 | 8.92 | ||||||||
| 11.1 | 18.1 | 6830 | 1370 | 201 | 6.82 | ||||||||
| 12.6 | 21.9 | 7530 | 1680 | 276 | 6.09 | ||||||||
| 14.8 | 27.8 | 8500 | 2150 | 411 | 5.23 | ||||||||
| 16.8 | 33.2 | 9270 | 2580 | 558 | 4.63 | ||||||||
| 18.5 | 38.8 | 9950 | 3050 | 718 | 4.25 | ||||||||
| 15*5/CF | 7.4 | 15.4 | 4325 | 1050 | 114 | 9.21 | |||||||
| 8.4 | 18.5 | 4755 | 1250 | 155 | 8.04 | ||||||||
| 11.1 | 27.4 | 5835 | 1900 | 304 | 6.25 | ||||||||
| 12.6 | 32.5 | 6340 | 2260 | 410 | 5.52 | ||||||||
| 14.8 | 39.7 | 7000 | 2830 | 588 | 4.82 | ||||||||
