您好,
欢迎访问
开云足球(www.thecupcakecakery.com)
!
帐号管理
收藏夹
退出
消息
0
请登录
免费注册
手机关注
微信号:youuav
关注官方微信
m.youuav.com
手机扫码看新闻
我的办公室
销售
发布产品
管理产品
求购
发布求购
管理求购
添加收藏
关于我们
广告服务
广告服务
关键词排名
会员升级
帮助中心
常见问题
买家帮助
卖家帮助
问题反馈
网站导航
资讯
企业
产品
品牌
采购
展会
招聘
求职
视频
专题
杂志
资讯
资讯
企业
产品
品牌
采购
展会
招聘
求职
视频
专题
杂志
搜索
发布询价单
全部产品分类
无人机整机
载人无人机
教育编程无人机
太阳能无人机
消费级无人机
航拍无人机
穿越机
遥控航模
行业应用无人机
巡检无人机
农业植保无人机
影视摄影无人机
测绘勘探无人机
灭火消防无人机
应急救援无人机
警用安防无人机
物流运输无人机
油电混合无人机
飞行平台
系留无人机
氢燃料电池无人机
水质空气检测无人机
气象无人机
军用无人机
战斗无人机
侦查无人机
诱饵无人机
电子对抗无人机
靶机
通信中继无人机
其他
无人机整机
无人机配件
飞控
云台
电池
电机
发动机
电调
螺旋桨
遥控器
有效载荷
机架
综合保障
飞行眼镜
图传数传
地面站
定位模块
成像系统
激光雷达
应用软件
喊话器
充电器
抛投设备
探照灯
热成像仪
其他配套产品
无人机配件
无人机服务
无人机保险
环保监控
河道巡检
无人机编队
培训服务
植保服务
数据加工
航拍摄影
电力拉线
电力巡检
广告影视
测绘服务
其他服务
无人机服务
设备与工具
制造设备
测量设备
航拍设备
其他设备与工具
设备与工具
反无人机
无人机解决方案
测绘解决方案
警用解决方案
消防解决方案
反无人机解决方案
应急救援解决方案
物流运输解决方案
无人机解决方案
无人机其他
杂志
贸易和代理商
社团
物流
协会
其他
无人机其他
水下无人机(潜航器)
消费级产品
企业级产品
教育科研产品
水下无人机配件
水下无人机(潜航器)
无人船
环境监测
海洋调查
安防救援
无人航运
无人船配件
无人船
首页
资讯
企业
产品
品牌
采购
展会
招聘
求职
视频
专题
杂志
地图
综合资讯
国内资讯
国际资讯
特种动态
应用领域
科技探索
新品发布
企业动态
无人系统
展会动态
UAV评测
市场分析
百科知识
人物访谈
组织协会
政策法律
教育培训
航拍图库
保险
DIY
赛事活动
排行榜
反无人机
低空经济
您的位置:
首页
>
产品
>
无人机配件
>
飞控
> 产品详情
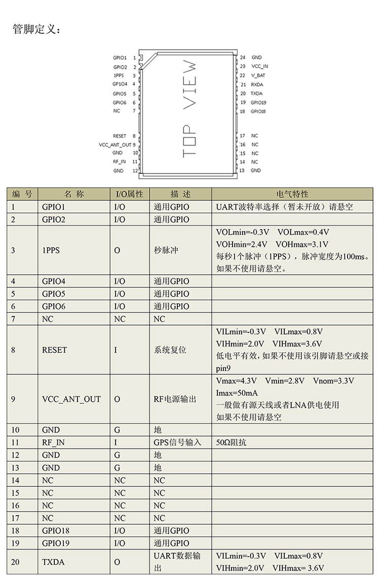
GPS模块军工北斗模块二代(BD2)双系统定位授时模块BD-126
品牌:
Beitian
最小起订:
1
块
供货总量:
341231
块
发货期限:
3
天内发货
有效期至:
长期有效
更新时间:
2022-03-02 15:20
立即询价
加入收藏
普通商家
深圳市北天通讯有限公司
经营模式:
零部件制造商 其他
地区:
中国广东省深圳市
电话:
400-003-8030
进入店铺
联系方式
热门推荐
科卫泰多旋翼无人机
北京海空行F-500中型共轴无人直升机
科卫泰KWT-X6L-15
高巨创新“易”TAKE
觅睿恪S60四轴无人机
DJI大疆"晓" SPARK
Epson BT-300 增强现实智能眼镜
卓尔航空L-IILRTX碳纤维折叠桨
T-MOTOR
天津曙光5-A-01伞降无人直升机
汇星海油电混合六旋翼无人机
蜂巢航宇HC-340六旋翼平台
正方科技 欧荷6S智能电池植保无人机专用
周视经纬 ZT5 中型多功能无人机
中科灵动 灵动鹰-15油电混合动力无人机
奇蛙 CEEWA X8六旋翼无人机
飞盈佳乐
飞宇科技X8独角兽固定翼自动起降无人机航拍航测解决方案
磁力创新
氢航科技FCFW-1无人机
企业推荐产品
更多>
北天GPS模块BH-182 222Q 252Q固定翼穿越机FPV返航救援F4F7H7飞控
北天GNSS天线四星多频农机驾考蘑菇头天线测绘RTK高精度BT-160
北天GNSS四星全频测量天线高精度GPS/RTK CORS基站天线 BT-200
北天差分测量GPS北斗GLONASS伽利略碟形发射四星全频天线BT-200S
北天Beitian高精度GNSS测量天线GPS/RTK ZED-F9P基站天线BT-4N07B
北天ZED-F9P高精度RTK四系统测量厘米级北斗GPS模块天线BT-F9PK5
北天磁吸四星单频GPS北斗GPS导航sma挖泥船外置GNSS天线BN-5B43AJ
北天监测精密农业GNSS北斗双天线高精度RTK厘米级接收机BT-200B
产品详情
产品参数
产品图片
OD网页版-OD(中国)官方
|
华体会平台-华体会(中国)
|
开元-(中国)官方网站登录界面
|
华体会平台-华体会(中国)
|
KY开元·(中国)集团
|
开元平台-(中国)科技公司
|
开元游戏官方网站(中国)开元有限公司官网
|
乐鱼网页版登录入口-乐鱼(中国)
|