发布询价单
您的位置:首页 > 产品 > 无人机配件 > 电机 > 产品详情

东阳智能 GS-5509DMG

东阳智能 GS-5509DMG

  • 品牌:东阳智能
  • 最小起订:1 
  • 有效期至:长期有效
  • 更新时间:2016-05-19 19:38
  • 立即询价

    加入收藏

普通商家

热门推荐

产品详情

产品参数

产品图片

Item: GS-5509DMG
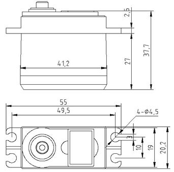
尺寸(mm): 40.8*20.1*38
扭力: 11 kg/ 0.24sec @ 6V
重量: 55g
速度: 0.27-0.24 sec/ 60°

GS-5509DMG

Control System 

Positive PWM control 1500 usec Neutral

Operation Voltage Range 

4.8V ~ 7.2V

Operation Temperature Range

-20C°~ +60C°

Test Voltage:

 At 4.8V 

At 6.0V 

Standing Torque 

9.2kg.cm 

11kg.cm

Speed  

0.25 sec / 60 deg at no load

0.23 sec / 60 deg at no load

Idle Current 

250mA at stopped

300mA at stopped

Running Current  

1200mA at no load

1500mA at no load

Dead band width

3 usec 

 3 usec

Circle

10000 times

Operation Travel 

60°±10°

Direction 

Re-clock wise/ Pulse Travel 1500 to 1900 usec

Diver type

FET drive

Motor Type 

Carbon Brush

Potentiometer Type 

Indirect drive

Amplifier Type 

Digital Control

Dimensions 

40.8*20.1*38.0 mm 

Weight: 

55g without splined horn

Ball Bearing 

Double ball bearing

Gear Material 

Metal gear

Case Material

Nylon plus fiber

Connector Wire Length 

300mm 

Connector Wire Gauge 

22AWG heavy duty(JR Universal)

Wire Info (Brown)

Negative

Wire Info (Red) 

Positive

Wire Info (Orange)

Signal

 

GOTECK RC INC

GS-5509DMG