
RoboBee X-Wing,这个来自哈佛的微型飞行机器人,为光能供电,可携带最多6块太阳能电池板。
在三个太阳光级别的强光照直射的条件下,太阳能电池板能提供约110-120毫瓦能量,让这个微型机器人实现从起飞到持续飞行约半秒时间。

研究人员表示,其推进效率,已经可以与同样大小的昆虫相当。研究人员表示,这是迄今为止,重量最轻的不需要电源栓绳飞行的昆虫级飞行器。
这样的飞行能力,竟然来自于一个小小的身体:
仿蜜蜂设计,为四翼仿生扑翼系统,相比之前版本多了两只翅膀。翼展为3.5厘米,高6.5厘米。

回形针般的重量,动力系统加机器本身,只有259毫克。包含一个重约60毫克的光伏阵列,以及一个重约91毫克的信号发生器。
相比于大型飞机在广阔的天空翱翔,这种虫子大小、易覆盖的微型机器人在调查勘探方面更具潜力。
它能够从自然灾害、作物病害甚至战争地区中收集图像和数据,小到不包含任何机械杠杆、齿轮;用于医疗领域,可帮助人类完成大型器械难以到达的区域。
有网友表示细思极恐,这小巧的体型和潜力无限的应用场景,这怕不是《黑镜》里无处不在的人造杀人蜂?

Nature在介绍中说,创造和昆虫差不多大的飞行机器人,但既能产生足够推动力又能保持足够轻的重量,这一直是一个棘手的问题。
现在, RoboBee X-Wing做到了。
还有网友直接表示,厉害到让人恐惧。

这到底是什么构造,我们把这个RoboBee拆解一下。
拆解“电子蜜蜂”
第二,目前,人类能造出来的制动器和电池还均远远达不到生物组织的功率和能量密度,也就是说,研究人员要把电池和飞行装置装置“压缩”到昆虫那么小,还得能提供强大的能量。
第三,昆虫飞行时的传感和控制算法相当复杂,即便是用超级计算机也难以模拟,如何人工实现动物的飞行控制算法也是个难题。
那这台无人机,究竟是怎么实现的?
整体上,它包含两个部分:

90毫克的“蜜蜂”身体,带有4个翅膀,展开总宽度3.5厘米,包含两个氧化铝强化的压电致动器,以此提高空气动力学效率。

169毫克的集成系统以及电子设备,包括“蜜蜂”身体上方的太阳能系统,还能携带6块太阳能电池。

另外还有动力源、信号发生器等部件,这样,无人机就得到了能源供应,不需要连接电源就能飞起来,整个组合高6.5厘米。
两个部分加起来只有259毫克,不到四分之一克,相当于只有一根针的重量。

研究团队对致动器做了改进,在不改变尺寸的情况下,降低了传动比,使峰值升力增加38%。
另外,在RoboBee此前的版本中,均为2个机翼,但在X-Wing中,研究人员首次将机翼的个数调整到4只。
这是为了在不增加额外动力的情况下提升无人机的上升力,参考P(功率)=F(力)✖️v(速度),研究团队需要让机翼的面积更大,因此,直接把机翼的数量翻倍了。

用上图这种方式连接,比2个翅膀效率提升了30%。

有了翅膀和太阳能电源,并不意味着这只人造的“蜜蜂”就能飞起来,需要设计控制它的系统。

首先,控制翅膀扇动的电流,采用非正弦电流,峰值电压降低10%。

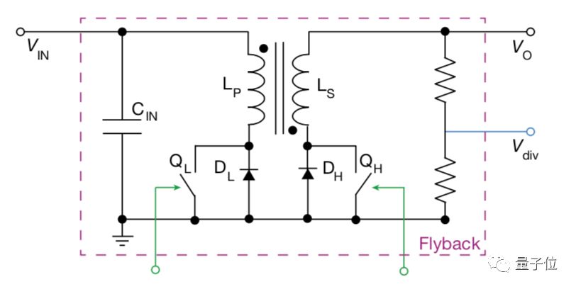
这一部分是双向反激式转换器的电路图,VIN是输入电压,CIN是输入电容,QL是低边开关,DL是低边二极管,LP是变压器的初级绕组,LS是变压器的次级绕组,QH是高边开关,DH是高边二极管和VO是输出电压。

而整个电路图长这样。
紫色的Flyback就是上面的那张图,它们驱动两个致动器,微控制器单元(MCU)中的ADC分别是A(VA)或B(VB)的输出电压;与期望电压Vdes进行比较,并产生相应的脉冲给开关QH,A,QL,A,QH,B和QL,B。A接通,开关QS闭合。CA和CB是致动器的电容。

研究人员表示,因为能量来源为太阳能电池,因此在实际的测试中,研究者们在实验室里需要开灯为太阳能系统供能,但实验中的飞行只能维持半秒。
那为什么不去室外,在太阳底下飞呢?
太阳的光照强度为1000W/m2,而在这类无人机中,最先进的无人机需要5~7个太阳的光照强度才能飞起来,而RoboBee X-Wing自身需要3个太阳的光照强度才能飞起来。
不过,这些都不是问题,研究人员表示,未来会更加关注RoboBee X-Wing在户外场景的实用性,将需要的太阳光强度由3个太阳光照强度降低到1.5个太阳光照强度。
但最终的目的,是将驱动飞行所需的光照强度降低到一个太阳光照强度以下,这样才能真正走出实验室。
RoboBee确实很小很酷,但也正是因为体型过小,给研究人员带来了很多附加的难题。
作为一个仿生的扑翼系统,与固定翼的飞机不同,RoboBee采用的是一种创新型的四翼结构,每个翅膀前后摆动带动机体飞行。

集成压电(integrated piezoelectrics)驱动的,在这个过程中完成电能和机械能的转化
举个身边常见的例子,比如打火机的电子打火装置,就是一种压电效应的应用。

移位,并且需要高电压。
难题一:
如何优化机械传动系统,最大程度控制移位?
如何更高效得将这样一小块太阳能电池板产生的低电压,转换成压电驱动所需的200伏脉冲电压?
在RoboBee之后的研究中,这2个难题也将是研究人员关注的重点。
不过,当前的RoboBee-X-Wing离研究人员的理想版本还很远。
他们表示,真正的微行飞行机器人,应该像反乌托邦科幻小说《猎物》(Prey)中描绘的场景一样,飞行了不到一秒钟,就消失在视野里了。

虽然这种速度目前还是展望,但研究人员表示,随着电池技术和通信技术的提高,微型机器人的可控飞行已经在人类的掌控之中。
RoboBee的创造者
研究人员将RoboBee-X-Wing的最新成果汇集在论文Untethered flight of an insect-sized flapping-wing microscale aerial vehicle中,登上了今天的Nature封面。
Noah T. Jafferis和E. Farrell Helbling为这篇文章的共同一作,Jafferis现在是哈佛威斯生物工程研究所的博士后。
Jafferis有一段传奇的经历,Device&Materials Engineering资料显示,在16岁时进入耶鲁大学前,他一直在家里接受接受教育,随后在普林斯顿大学攻读博士学位。

确认过眼神,是天才少年没错了。
E. Farrell Helbling小姐姐是Robobee项目的首席研究员,也是哈佛的一名博士后,此前就读于Smith College。

Michael Karpelson主要关注机器人、医疗设备、微型机器人、传感器等方面,研究电气、机械和计算机工程的交叉领域,在项目中主要负责动力系统。

Radhika Nagpal是哈佛大学计算机科学教授,也在一直参与RoboBee的研究。
其实,哈佛的RoboBee项目早在2013年就亮相了,当时只能完成起飞和着陆两项基本任务。

2017年,RoboBee不仅能够飞行、潜水、游泳,还能从水面弹射而起,并且安全在地面降落。

对于毫米级的机器人来说,能够在空中和水中飞行有很多挑战。比方水的密度比空气大1000倍,因此两种介质中翅膀拍打的速度相差很大。
当时,还无法做到RoboBee出水后立即恢复飞行。
新一代的RoboBee X-Wing变化最大,增加了第二对机翼,进一步提升了升力,实现了持续地飞行。
未来,RoboBee又将进化成什么样子呢?