
乡村环境是带动乡村振兴的关键因素之一,农村人居环境整治也成为了近年来美丽乡村建设的重点工作。从乡村“颜值”入手,全面改善乡村建筑和景观,带动当地的旅游发展,促进产业升级,成为不少乡村的振兴路径。
近期,受当地建筑设计院委托,DJI 大疆行业应用合作伙伴厦门精导为厦门翔安区何厝村进行了建筑物外立面测绘。在该项目中,厦门精导使用大疆精灵 Phantom 4 RTK 进行倾斜摄影测量,为建立实景三维模型矢量图和建筑物外立面 CAD 线画图提供精准的图像信息,从而为建筑美化和改造提供决策支持。
工作流程
实景三维建模生产
立面正射影像图制作
建筑物外立面图绘制
无人机与建筑立面测绘
建筑立面测绘图是指在与其立面平行的投影面上所得到的正投影图,呈现着建筑的外貌特征。传统进行立面测绘是利用钢尺、锤球、角尺,通过搭设脚架或者挑杆挂尺来测量。这种原始的方式不但精度低,而且外业人员在攀爬时或有人身危险。
现代测绘中,三维激光扫描仪也是常见立面测绘的工具,它不需要接触对象本体就可直接获取空间及物体的高精度数据,但缺点是造价高昂,便携性差,后期处理繁琐,处理后的点云数据缺乏建筑立面必要的纹理特征。

用无人机采集图像,进而生成三维实景建模的方式则能有效解决这些弊端。无人机同样可以在不接触对象本体的情况下采集立面信息,且设备造价相对较低,后期处理简便,包含建筑不同部位的相关纹理信息。实践证明,使用大疆精灵 Phantom 4 RTK 等具备 RTK 高精度定位的无人机进行近景摄影测量能够满足建筑测绘的精度需求。
倾斜摄影外业效率提升数十倍
本次测区面积将近 0.1 平方公里,测区内建筑分布密集。本次作业航线规划使用的是精灵 Phantom 4 RTK 自带的 GS RTK 专业软件。选择摄影测量 3D 航线规划模式,只需选定测区,GS RTK 就能自动生成采集三维数据需要的航线,整个过程无布置像控点。

摄影测量3D航线规划示意图
为了保证模型精度,本次作业共进行了两次航线规划:
1. 在航高 100 米处做 -45° 摄影测量 3D 规划;
2. 在航高 120 米处做 -60° 摄影测量 3D 规划。

照片位置和姿态示意图
本次飞行作业仅出动1名外业人员,不到1小时就飞行2个架次采集到所需的 500 余张高清图像。经计算,大疆无人机航测解决方案的效率是传统测距仪、全站仪立面测量效率的30 到 50 倍,是三维激光扫描仪的15 到 20 倍。
内业深度处理
精灵 Phantom 4 RTK 采集的测区相片带有精确的位置信息,满足高精度实景三维模型的生产需求。何厝村项目中,工作人员基于三维模型进行了进一步的立面正射影像图制作与 CAD 立面图绘制。

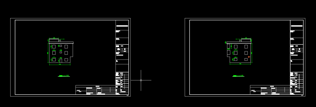
立面正射影像图

立面图尺寸标注
高分辨率航拍影像让门、窗户、管线、水塔,电箱、空调等地物的绘制更加方便、全面、细致。工作人员还在模型上测量并标注出了建筑结构、构件的尺寸,帮助建筑设计院的规划师作出更科学合理的规划决策。

成果图
精灵 Phantom 4 RTK 的高精度成像真实、精准地反映了何厝村的建筑面貌,其成果得到了当地建筑设计院的充分肯定,将为美化和整改乡村建筑立面改造工程提供了有效依据,帮助美丽乡村建设提质升档。同时,还可有效避免因现实作业与设计规划存在误差而造成的损失。
实施本次项目的厦门精导负责人表示:“精灵 Phantom 4 RTK 不但让倾斜摄影外业作业效率大幅度提升,还可以用于解决第五立面也就是房顶屋顶平面图的绘制难题。在接下来的建筑测绘项目中,我们将继续挖掘无人机可视化数据的更多价值。“
致力于用技术与创新力为世界带来全新视角,公司以“未来无所不能”为主旨理念,在无人机系统、手持影像系统与机器人教育领域成为业内领先的品牌,以一流的技术产品重新定义了“中国制造”的创新内涵。
十二年间,通过不断革新技术和产品,公司开启了全球“天地一体”影像新时代;在影视、农业、地产、新闻、消防、救援、能源、遥感测绘、野生动物保护等多个领域,重塑了人们的生产和生活方式。
从创立至今,公司一直坚守“激极尽志,求真品诚”的企业精神。始终践行全新的文化和价值观,将卓尔不群的产品之道贯穿到每一个细节,展现科技的无限可能。
DJI就是个敢于说真话的孩子。这里由一群从不妥协、极富洞见、坚持梦想的人聚合而成。我们坚信实干而非投机,坚信梦想而非功利。我们坚决践行全新的文化价值观和思维方法论,从创始之初至今从未改变。
DJI是一个创新的乌托邦,我们搭建了一个尊重梦想的舞台,构建了纯粹的企业环境,努力探索卓尔不群的产品之道和企业文化。没有一家公司像DJI一样,将求真品诚的理念贯穿到每一个细节,对此我们引以为傲。
十年间,DJI站在了行业之巅,开启全球飞行影像新时代,展现出改造世界的无限可能。我们的经历证明,一个初出茅庐的年轻人不去曲意逢迎、不去投机取巧,只要踏实做事,就一定能取得成功。我们相信,那些回归常识、尊重奋斗的人,终将洞见时代机遇,并最终改变世界。
大道无疆,创新无限。如果你志存高远、怀揣梦想,决心踏实做事、创造价值,却在扭曲的现实中自我怀疑、彷徨无奈,那就加入DJI吧! 在这里,与更多真知灼见者碰撞,与更多志同道合者同行!
未来,无所不能!


