
★产品介绍★
明珠飞控MZ-100/MZ-400/MZ-600是专为小型固定翼无人机、小型垂直起降无人机、小型倾转垂直起降无人机打造的小体积、高可靠、低成本导航测量与飞行控制设备,配备了数传链路、惯性导航、卫星导航及多传感器信息融合导航系统,支持灵活的起降方式及人性化的交互界面。
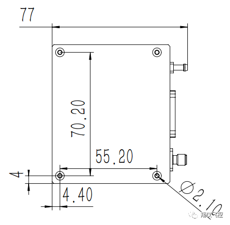
★尺寸重量★


明珠飞控:110克

机载端电台:60克

地面端电台:80克
★功能特点★
导航与飞控设备集成工业级传感器,并经过严格的环境适应性筛选。
飞控系统采用ARM+DSP双CPU结构,具备强大的运算能力和存储能力,具有高可靠、低功耗特点。
系统在-20~+60℃ 下稳定工作,传感器在-20~+60℃范围内温度补偿,并采用一致渐进收敛的非线性自适应卡尔曼滤波算法进行数据处理。
飞控系统核心算法采用强鲁棒、强跟踪非线性自适应控制算法,内环以角速率+姿态多尺度融合控制为主,确保飞行稳定;外环采用3维位置+速度耦合嵌套控制,保证飞行品质,具备高精度的航迹控制。
飞控系统支持遥控、增稳、全自主三种飞行模式。
多重应急安全保护机制,包括低电压保护、链路中断保护、姿态异常保护、高度异常保护、动力异常保护等。
地面站软件支持多种任务航线快速规划,内置Google Map、Bing Map等电子地图,具备语音播报等功能。
★地面站软件★
地面站软件UI界面简洁,美观大方,功能全面,简单易操作

支持非规则测区任务航线自动规划

支持多测区任务航线规划

支持带状任务航线规划

支持KML文件导入并自动生成航测任务航线


支持任务航线三维显示

支持遥测数据记录、回放与分析

完善的起飞检查流程

★技术指标★

★行业应用★



石油管道巡检

★装箱清单★
MZ-100/MZ-400/MZ-600 飞控1台
MZ-Datalink 数传链路1对
卫星导航GPS天线1根
数传玻璃钢天线1根
J30J-51针航空插头1对
★联系我们★
吴先生:137 0122 3281

赵先生:170 9256 5522

北京翔仪恒昌科技有限公司是一家研制、生产高性能全自主导航、制导与控制装置的国家级高新科技企业,产品主要应用于无人飞行器、地面机器人和水面/水下航行器等无人装备,是无人机行业内技术领先的飞控厂家。作为核心分系统提供商活跃在诸多领域,与整机厂商和用户共同为行业繁荣发展而努力。
高精度高动态载体导航测量——研制基于MEMS惯性传感器的微惯导、三轴磁罗盘、惯性导航/卫星导航/磁罗盘/机器视觉组合导航系统等,为无人装备长时间自主工作提供三维角速度、加速度、姿态、航向、速度、水平位置、高度等运动信息,不仅支持自主运动控制,而且为任务载荷提供高精度位姿参考。
多机型无人机全自主飞行控制——全程自主实现多型无人机自检、起飞、航线巡航、目标跟踪飞行、返航、定点降落等功能;机型覆盖固定翼、直升机、多旋翼、垂直起降固定翼和自转旋翼机等;针对航空测绘、电力、风电、救灾减灾等行业设计了灵活便捷的地面操控人机界面,获得好评;完善的应急处理能力最大限度保障飞行安全。
高水平研发团队和高可靠产品工艺——研发团队技术实力雄厚。公司建成高可靠飞控批量生产线,设计生产工艺严格遵循国军标要求,产品多次参与实物竞标并胜出,以批量微利的价格体系为各应用领域提供高可靠性产品。
北京翔仪恒昌科技有限公司期待与您更广阔深入的合作!
2025-09-19 12:22
2025-09-18 11:24
2025-09-17 10:55
2025-09-16 09:27
2025-09-12 11:30
2025-09-11 10:41
2025-09-09 10:52
2025-09-04 21:58
2025-08-28 11:13
2025-08-27 14:14

